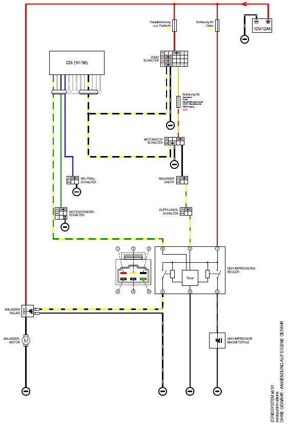
Ich fahre aufs Land. Will unterwegs kurz was von Gepäckträger nehmen und stelle meine Digge mit laufendem Motor ab...also wollte ich....und dann geht sie aus, obwohl ich den Leerlauf drin hab.
Ich hatte ja in der Vergangenheit schon das Problem, dass die Neutral Lampe konstant bei Betrieb brannte. Kriegte das nie hin und verlor irgendwann die Lust den Fehler zu suchen.
Dann stellte ich mal zufällig fest, dass die Lampe erlischt wenn ich den Gang einlege...aber wenn der Motor aus ist...
Und jetzt geht der Motor aus, trotz Leerlauf und ausgeklapptem.Seitenständer.
Hat einer n Tipp, woran das liegen könnte?.



